关风机 卸料阀 旋转阀 风送式 刮板式 快开门 耐高温 星型卸料器
关风机案例 旋转阀案例 星型卸料器案例
公司简介
公司动态 行业资讯 常见问题
手机:13372293958 刘经理
网址:www.czyhgfj.cn
传真:0519-85181539
地址:常州市武进区湖塘镇华家社区刘家村3号
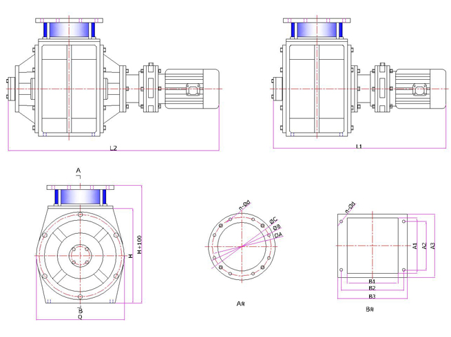
入口/出口:入口为圆口并配有透明视窗,以便观察物料的流动状况;出口为方形增大了出口面积使物料顺利排出。
普通型:结构紧凑,占用空间小。
轴承外置式:防止粉尘侵入轴承、增大适应温度的范围。
轴承外置式安装、经久耐用、性能优异。
驱动方式:马达直联驱动为主。
材质:碳钢、铸铁、不锈钢系列等。
ZRQ快速清洗阀
TGF型关风机